
Betway体育app最新版本更新内容从事防爆认证行业多年,遇到各种各样的客户,越来越感觉到客户需求的多样化。作为一个防爆认证一站式服务平台,从防爆产品取证、防爆现场安 全检查、防爆电气设备安装资质、涉爆粉尘检测、betway必威中国报告,再到近年来我们承接到各种的防爆电气设备的防爆设计,Betway体育app最新版本更新内容得到越来越多客户的信任和认可。
在防爆技术设计上,我们的防爆设计资深工程师具有20多年的厂用防爆产品的研发和技术设计工作经验,在防爆技术中的防爆结构、材料、强弱电、单片机软硬件特别是本安技术领域积累了丰富的经验和心得。由我们工程师主导和参与研发的多种具有创新型的结构、电气、电子软硬件的防爆产品 ,应用于中国及海外石油化工等行业,同时取得了多项发明专利和实用新型专利,并在本行业核心期刊上发表了多篇与电气、防爆等技术有关的论文。
作为行业内经验丰富的企业,Betway体育app最新版本更新内容根据客户的需求,结合国家标准,已经为客户提供了本安型、浇封型、隔爆型、增安型等防爆型式的全套防爆技术设计,设计内容包括全套结构图纸,二维、三维设计图,工艺文件、企标、电路图等。
Betway体育app最新版本更新内容为客户提供的部分防爆技术设计案例:
1、防爆变频器

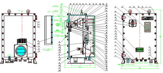
2、隔爆型控制器

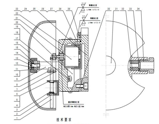
3、本安、隔爆、浇封复合型液化石油气自动充装机

4、防爆电铃

服务热线:18924609560(微信同号)
粤公网安备44030002007506号 粤ICP备18004888号
